鹿野山の地磁気測候所のため細分化されていた変電所区間
君津SSー大貫SSー佐貫町SSー竹岡SSのうち大貫SSと竹岡SSが廃止されていた。
1495. JR東日本 大貫変電所廃止 内房線
1496. JR東日本 竹岡変電所廃止 内房線
両変電所にき電補助線33kV 1回線で送電していた佐貫町変電所について現状がどうなっているか調査した。
 |
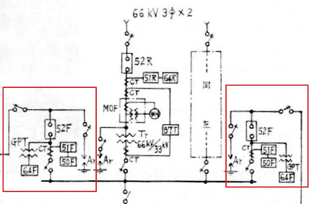
| 佐貫町変電所 単結線図 赤の部分が撤去された |
過去記事
115. JR東日本 佐貫町変電所(直流・交流)
今回は、銘板を詳細に観察
 |
| ちょうど佐貫町駅と大湊駅の中間部にある 66kV TEPCO 佐貫線2回線受電 |
 |
| 奥 大湊駅方 き電補助線は撤去済 特徴ある架線柱 |
 |
大湊駅方のき電補助線は、まだ撤去されていない。 この先のトンネル越え部分から変電所方が撤去済 |
 |
| 66kV 2回線受電の現在の内房線にしては豪勢な設備 |
 |
| 断路器は2回線とも「閉路」の状態 |
 |
| ガス遮断器を経てMOFが回線別ににある。その後避雷器をへて主変圧器へ |
 |
| 奥の遮断器が「入」の状態 |
 |
主変圧器 66kV降圧33kV 手前2号側の二次側断路器は「開路」 なぜ33kVかは不明 普通は22kVが妥当な設備 |
 |
| 主変圧器は2台あり、33kV側が所内母線となっている |
 |
| 主変圧器 株式会社東光高岳 |
 |
所内母線側 主変圧器と断路器で繋がる 手前側が運用中 手前側断路器でGPT(EVT)に繋がる。奥 高配と整流用変圧器に繋がるガス遮断器2台 |
 |
| かつてあった大貫、竹岡変電所方への変電所母線から遮断器を経由した引出部 撤去済 |
 |
GPT(EVT)接地形計器用変圧器 変電所33kV側 非接地系の地絡検出用
|
 |
高配変圧器 33kV降圧6.6kV単相 この部分に母線から分岐する大貫、竹岡変電所方のき電補助線引出部があった |
 |
変圧器銘板 500kVA 日新電機株式会社 一次側33kV 15.2A 二次側 6.9kV 72.5Aと読める |
 |
| 高配Tr 単相 |
 |
| 高配変圧器 二次側 6.9kV |
 |
遮断器を経て整流用変圧器変圧器に繋がるケーブルヘッド部 ゴムとう管式 33kV |
 |
整流用変圧器(ケーブル接続)とシリコン整流器3,000kW 1,500V 2,000A 正極母線断路器89P
|
 |
整流用変圧器 富士電機製 一次側33,000V 二次側1,200V 二重ブリッジ整流用
|

 |
シリコン整流器 二重ブリッジ整流用
|
 |
| 負極母線断路器89N |
 |
| 負極母線断路器89N 別角度 |
 |
| 直列リアクトル |
 |
| インピーダンスボンド中性点に繋がる帰線 |
 |
| き電線引出部と延長き電用断路器 |
 |
| 引き倒された補助き電専用電柱 |
 |
| この部分が補助き電線の引出部 この専用電柱が引き倒され一部撤去済 |
 |
変電所より少し離れたところにあるエアーセクション 君津SSと安房勝山SSの並列き電の区分 |
補助き電線33kVが無くなった今 2回線受電、2個のMOF、2個の主変圧器は必要ない。まずはMOFを1台契約、2回受電を1回線受電に変更。但し高配変圧器が残っているので、66kV受電は止めないだろう。
付近にTEPCOの一般需要家用配電用変電所は佐貫変電所しかない。3バンクまで配変は増やせる構成で現在2バンクの配変が設備されている。これをもう1バンク増やして専用配電線6.6kVで佐貫町変電所まで引き込めば、66kV受電は停止できる。現在の66kV/33kV主変、整流用変圧器、シリコン整流器更新時期に合わせて6.6kV化も将来的に考慮すべき検討課題だろう。
参考資料
丹羽 正信ら;整流ポストRP:電気鉄道,1968,Vol.22,No.6,pp.25-26
藤村 敏郎ら;房総西線整流ポスト区間人工故障試験:鉄道技術研究資料,1970,Vol.27,No.6,pp.14-15